АКИП4152, АКИП 4152, AKIP-4152, AKIP4152, AKIP 4152
АКИП-4152 — осциллограф цифровой
Код товара: 84895-
-
Гарантия
1 год
-
Межповерочный интервал
1 год
-
Госреестр СИ РФ
98028-26 до 20.03.2031
-
Производитель
Особенности осциллографов цифровых серии АКИП-4152:
- 4 аналоговых канала с полосой пропускания: 1/2 ГГц;
- максимальная частота дискретизации 10 ГГц;
- максимальный объем памяти 1 ГБ;
- 256 уровней интенсивности свечения луча (яркостная или цветовая градация частоты разверток в зависимости от частоты их повторения);
- скорость обновления экрана: 800000 осц/с (до 2000000 осц/с в режиме сегментированной развертки);
- режимы сбора данных: выборка, пиковый детектор (400 пс), усреднение (2/…/8192), ERES (режим увеличенного разрешения АЦП);
- более 48 видов автоматических измерений параметров, статистика, гистограммы, курсорные измерения;
- режим сегментированной памяти: до 80000 сегментов, минимальное межсегментное время (≤ 1 мкс);
- программные измерительные функции вольтметра и частотомера (8 разрядов) по аналоговым каналам;
- функции математики: сложение, вычитание, умножение, цифровые фильтры, логические операторы и редактор формул;
- частотный анализ (БПФ), 1 миллион точек;
- широкий набор дополнительных функций анализа измерений: измерения мощности и показателей качества электроэнергии (опция), анализ джиттера и построение глазковых диаграмм (опция), тестирование по маске (допусковый контроль), построение гистограмм, трендов;
- программная опция генератора сигналов: 2 канала, 60 МГц, 200 встроенных произвольных форм, ЦАП 16 бит;
- декодирование сигналов: стандартно - RS-232/422/485/UART, I2C, SPI, CAN, LIN; опция - CAN-FD, FlexRay, SENT, AUDIO (I2S, LJ, RJ, TDM), MIL-STD-1553B, Manchester, SENT, ARINC429;
- программная опция увеличение полосы пропускания;
- логический анализатор: 16 каналов, требуется опциональный логический пробник (UT-M15) и программная опция (MSO7000X-LA);
- интерфейсы: USB (host/device), LAN;
- видео выход (HDMI);
- дистанционное управление: команды SCPI, LAN (встроенный web server);
- большой емкостный сенсорный экран с поддержкой Multi-touch, диагональ 39,62 см, разрешение 1920 x 1080;
- возможность монтажа в 19'' стойку с помощью опционального комплекта, высота 7U.
Описание осциллографов цифровых серии АКИП-4152:
Серия АКИП-4152 представляет собой осциллографы с полосой пропускания до 2 ГГц и частотой дискретизации до 10 Гвыб/с. Применяется уникальная технология UltraAcq®, повышающая скорость захвата сигнала до 800 000 осц/сек. Приборы поддерживают множество расширенных функций измерений и анализа, а также до 48 видов автоматических измерений параметров. Оснащены 64-разрядной операционной системой Win10, предоставляющей пользователям стабильную и расширяемую системную платформу. Используется 15,6" емкостной сенсорный экран с поддержкой многооконного режима и мультисенсорного управления жестами. Могут широко применяться в различных отраслях и областях, таких как связь, авиакосмическая промышленность, образование и многих других.
Мультиоконный интерфейс. Осциллограф обеспечивает такой же отзывчивый сенсорный интерфейс, к которому пользователи привыкли при работе со смартфонами и планшетами, гарантируя бесшовное тактильное взаимодействие. При этом прибор сохраняет специализированные ручки управления (энкодеры) и кнопки быстрого доступа, учитывая профессиональную специфику измерительного оборудования. Поддержка мыши и клавиатуры позволяет еще эффективнее решать задачи тестирования.

Ключевые возможности интерфейса:
- перемещение и масштабирование сигнала: интуитивное управление положением и масштабом осциллограммы касанием;
- настройка макета перетаскиванием: изменение расположения окон простым перетаскиванием;
- фиксация всплывающих окон: закрепление элементов интерфейса для сокращения необходимости переключения между множеством окон;
- поддержка дополнительных экранов для повышения эффективности многозадачной работы.
Экосистема Windows. Интеграция с экосистемой Windows открывает перспективы для профессионального анализа и автоматизации измерений. Осциллограф поддерживает встроенное программирование в среде MATLAB, при этом результаты вычислений отображаются непосредственно в окне прибора, обеспечиваябесшовный рабочий процесс.

Ключевые возможности:
- удаленный рабочий стол — полный контроль над прибором из любой точки;
- доступ к сетевым дискам — мгновенное сохранение и загрузка данных;
- высокая вычислительная мощность — обработка данных без использования внешних ресурсов;
- многозадачность — одновременная работа с несколькими приложениями.
Анализ мощности. С развитием технологий производства микросхем требования к системам электропитания неуклонно возрастают. В условиях, когда сети питания с низким напряжением и высоким током становятся отраслевым стандартом, особенно для микросхем или цепей питания, состоящих из прецизионных компонентов, обеспечение надежного электропитания и подавления шумов во всех частях схемы, а также сохранение целостности передачи сигналов между компонентами выводят задачи тестирования источников питания на новый уровень сложности. Особое внимание разработчиков сегодня привлекают энергоэффективность источника питания и скорость его реакции на изменения нагрузки — ключевые факторы, гарантирующие стабильность и чистоту питания.

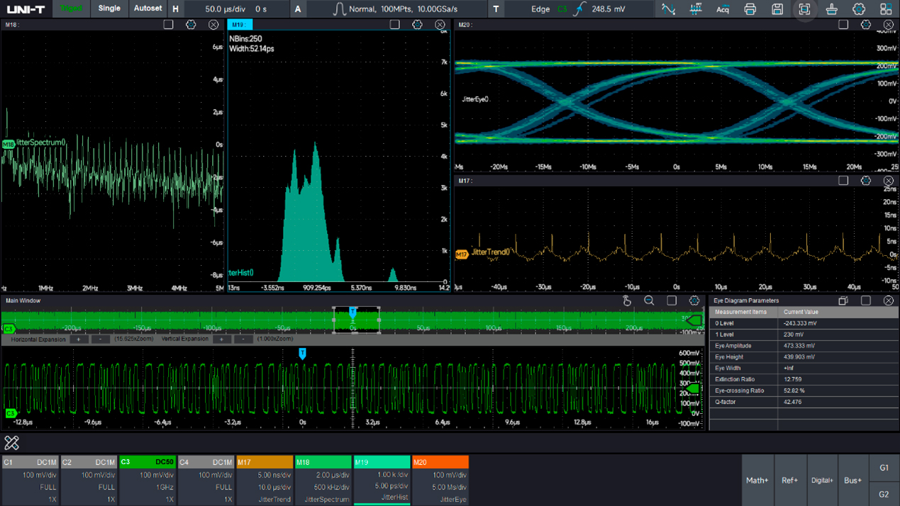
В сложившихся условиях анализ достоверности отображения сигналов приобретает критическое значение. Нестабильность в системе питания способна порождать целый спектр проблем с электромагнитными помехами (ЭМП), доставляющих разработчикам еще больше сложностей.Анализ джиттера и построение глазковых диаграмм. С повышением скорости передачи сигналов растет количество факторов, создающих помехи в процессе передачи данных, что приводит к повышенной чувствительности системы, к потерям в тракте передачи. Перед разработчиком стоит задача точного определения причин искажения сигнала. К таким проблемам относятся: джиттер, вносимый системой питания, нестабильность работы ФАПЧ (фазовой автоподстройки частоты), тепловые и механические шумы кварцевого резонатора, межсимвольная интерференция, а также целый ряд других неисправностей.

Джиттер по параметру TIE (Time Interval Error — погрешность временного интервала) является наиболее распространенным показателем при анализе фазовых дрожаний. АКИП-4152 оснащен комплектом программного обеспечения для визуального анализа джиттера, который включает: график тренда, спектрограмму, гистограмму.
Данный инструментарий позволяет локализовать распределение джиттера в различных областях анализа: временной, частотной и статистической.
Измеряемые параметры глазковой системы:- Eye amplitude — амплитуда раскрыва глазковой диаграммы;
- Eye Height — высота раскрыва глазковой диаграммы;
- Eye Width — ширина раскрыва глазковой диаграммы;
- Level 1/Level 0 — уровни логической единицы и нуля;
- Q factor — Q-фактор (коэффициент качества сигнала).
Измеряемые параметры джиттера:
- TIE — погрешность временного интервала;
- TJ BER — полный джиттер (Total Jitter) при заданном уровне вероятности битовой ошибки;
- RJ — случайный джиттер (Random Jitter);
- DJ — детерминированный джиттер (Deterministic Jitter);
- PJ — периодический джиттер (Periodic Jitter);
- DDJ — джиттер, зависимый от данных (Data-Dependent Jitter);
- DCD — скважность искажений (Duty Cycle Distortion).
-
-
Технические характеристики осциллографов цифровых АКИП-4152:
Параметр Значение АКИП-4152/1 АКИП-4152/2 Канал вертикального отклонения Число каналов 4 4 Полоса пропускания (-3 дБ, 50 Ом) 1 ГГц 2 ГГц1 Полоса пропускания (-3 дБ, 1 МОм) 500 МГц 500 МГц Время нарастания (50 Ом) ≤350 пс ≤175 пс1 Ограничение ПП (50 Ом) 20 МГц, 500 МГц 20 МГц, 500 МГц, 1 ГГц Ограничение ПП (1 МОм) 20 МГц 20 МГц Коэффициент отклонения (Ко)3 1 мВ/дел…1 В/дел – 50 Ом // 1 мВ/дел…10 В/дел – 1 МОм Погрешность измерения постоянного напряжения3 50 Ом:
±(0,02·8[дел]·Ко[мВ/дел]+1) при Kо <5 мВ/дел
±(0,015·8[дел]·Ко[мВ/дел]+1) при Kо ≥5 мВ/дел1 МОм:
±(0,015·8[дел]·Ко[мВ/дел]+1) при Kо <5 мВ/дел
±(0,012·8[дел]·Ко[мВ/дел]+1) при Kо ≥5 мВ/делДиапазон установки смещения (Uсм) 50 Ом:
1мВ/дел…100 мВ/дел: ±2 В; 200 мВ/дел…1 В/дел: ±5 В1 МОм:
1 мВ/дел…50 мВ/дел: ±2 В; 100 мВ/дел…500 м/дел:
±20 В; 1 В/дел: ±40 В; 2 В/дел…10 В/дел: ±100 ВПогрешность установки уровня смещения ±(0,015·|Uсм|+0,1·[дел]+2) при Ко≤200 мВ/дел
±(0,01·|Uсм|+0,1·[дел]+2) при Ко>200 мВ/делВходной импеданс 50 Ом (± 2 %), 1 МОм (± 1 %) / 15 пФ ± 3 пФ Максимальное входное напряжение 300 Вскз (КАТ I) – 1 МОм // 5 Вскз – 50 Ом Канал горизонтального отклонения Коэффициент развертки (Кразв) 100 пс/дел…1000 с/дел
самописец (ROLL): 50 мс/дел...1000 с/делПогрешность частоты внутреннего опорного генератора ±2*10-6 Погрешность измерения временных интервалов ±(δF·Tизм+1/Fд), где
δF – относительная погрешность частоты внутреннего опорного генератора;
Tизм – измеренный временной интервал, с;
Fд – частота дискретизации, ГцРежимы работы основной, ZOOM окна, самописец (ROLL), X-Y Синхронизация Источники синхросигнала любой из каналов, внешний, сеть, логический канал Режимы запуска развертки автоматический, ждущий, однократный Диапазон установки задержки запуска 6,4 нс…10 с Виды синхронизации по фронту, по скорости нарастания, по длительности, ТВ (NTSC,PAL, SECAM), по параметрам окна, отложенная, рант, по логическому шаблону, по НЧ протоколам RS232/422/485/UART, I2C, SPI, CAN, LIN; опция - CAN-FD, FlexRay, SENT, AUDIO (I2S, LJ, RJ, TDM), MIL-STD-1553B, Manchester, SENT, ARINC429 Предзапуск ≥0,5 длительности экрана Послезапуск ≤5000 с Вид входа открытый, закрытый, ВЧ и НЧ фильтры, фильтр шума Уровень синхронизации внутренняя: ±4 делений шкалы; Ext: ±1 В, Ext/5: ±5 В Аналого-цифровое преобразование Разрешение по вертикали 8 бит (до 12 бит с шагом 0,5 бита при использовании функции увеличения разрешения (High resolution) Частота дискретизации2 2,5 ГГц на канал (5 ГГц в режиме объединения каналов, двух канальный режим)
10 ГГц при одном активном каналеДлина записи 250 МБ на канал (500 МБ в режиме объединения каналов, двух канальный режим)
1 ГБ при одном активном каналеРежимы работы выборка, пиковый детектор, усреднение (от 2 до 65536), накопление, High resolution Курсорные измерения Источник курсоров аналоговые каналы Функции ручное управление: время - X1, X2, ΔX (Гц), 1/ΔX, амплитуда - Y1, Y2, ΔY
режим отслеживания: время - X1, X2, амплитуда - Y1, Y2Автоматические измерения Источник измерений КАН1…КАН4, логические каналы, МАТЕМ, ОПОРН, ИСТОРИЯ, ZOOM Диапазон измерений весь экран или ограниченно (определяется курсорами) Функции по вертикали Макс, Мин, Верхнее, Нижнее, Амплитуда, Пик-Пик, Среднее, Цикл Среднее, СКЗ, Цикл СКЗ, Медиана, AC СКЗ, AC СКЗ Цикл, Выбросы на вершине и в паузе Функции по горизонтали Период, Частота, Время нарастания/спада, +Длительность, -Длительность, +Коэффициент заполнения, -Коэффициент Заполнения, Задержка Дополнительные площадь положительная или отрицательная, абсолютное значение площади по переменному и постоянному току, количество фронтов, количество импульсов Измерение задержки фаза, FRFR, FRFF, FFFR, FFFF, FRLR, FRLF, FFLR, FFLF, смещение Измерения логических каналов Частота, Период, +Длительность, -Длительность, +Коэффициент заполнения, -Коэффициент заполнения, разница по фронту/спаду A-B, фаза Статистика Текущее значение, Макс, Мин, СКО, Гистограмма Математика Источник математики аналоговые каналы Функции A+B, A-B, A×B, A/B, редактор формул БПФ частотный анализ при длине памяти 1 МБ Цифровые фильтры НЧ, ВЧ, полосовой, режекторный Измерение мощности (опция) качество электроэнергии, гармоники тока, пусковой ток, потери при переключении, скорость нарастания напряжения, модуляция, пульсации на выходе, включение / выключение, переходная характеристика, PSRR, эффективность Автоустановка в/дел, с/дел, параметры синхросигнала Режим X-Y Х – кан 1, 3; Y – кан 2, 4; разность фаз < 3° до 100 кГц Декодирование Формат данных стандартно - I2C, SPI, UART/RS232, CAN, LIN
опция - CAN FD, FlexRay, I2S, MIL-STD-1553B, SENT, Manchester, MIL-STD-1553B, ARINC429Логический анализатор (опция) Число каналов 16 Частота дискретизации 1,25 ГГц максимум Длительность импульса от 3,2 нс Длина памяти до 125 МБ Порог срабатывания TTL (1,4 В), 5,0 В CMOS (+2.5 V), 3,3 В CMOS (+1,65 В), 2,5 В CMOS (+1,25 В), 1,8 В CMOS (+0,9 V), ECL (-1,3 В), PECL (+3,7 В), LVDS (+1,2 В) пользовательский (±20 В) Максимальный входной уровень ±40 В Минимальный детектируемый уровень 500 мВпик-пик Входной импеданс 100 кОм (± 2%) Генератор функциональный (опция) Выходной разъем 2 канала, на передней панели, BNC-тип Формы сигналов синус, прямоугольник, треугольник, импульс, постоянное напряжение, шум и другие (200 встроенных форм сигналов) Частотный диапазон 1 мкГц…60 МГц (синус)
1 мкГц…25 МГц (прямоугольник, импульс)
1 мкГц…1 МГц (пила)
1 мкГц…5 МГц (сигналы произвольной формы)
шум, полоса частот > 60 МГцРазрешение 1 мкГц Погрешность установки частоты ±2*10-6 Частота дискретизации 625 МГц Длина памяти 512К точек для произвольной формы Разрядность ЦАП 16 бит Выходной уровень 50 Ом:
≤30 МГц: 10 мВпик-пик … 3 Впик-пик; ≤60 МГц: 10 мВпик-пик … 1,5 Впик-пик;
1 МОм:
≤30 МГц: 20 мВпик-пик…6 Впик-пик; ≤60 МГц: 20 мВпик-пик…3 Впик-пик;Погрешность установки уровня ±(2% от установки + 2 мВпик-пик) Постоянное смещение ± 1,5 В (50 Ом); ± 3 В (1 МОм Ограничение уровня
, где
Voffset – установлено значение постоянного смещения
Vmax - максимальное пиковое напряжение на выходе с учётом выходного сопротивления
Vpp – установленное значение выходного уровня сигналаСкважность 0,01 % ~ 99,99% (для прямоугольника и импульса) Симметрия 0,01 % ~ 99,99% (для пилы) Минимальная длительность импульса 20 нс Модуляции диапазон частот модулирующего колебания: 2 мГц…200 кГц
виды модуляции: АМ (0…120%), ЧМ (девиация максимально 30 МГц), ФМ (девиация фазы 0°…360°)
ГКЧ: развертка по частоте (линейная, логарифмическая или шаговая), время развертки 1 мс…500 сОбщие данные ЖК-дисплей цветной (TFT) емкостный сенсорный, диагональ 39,62 см, разрешение 1920 x 1080, 10 x 8 делений Процессор Intel® Core™ i5-6500 Quad core, 3,2 ГГц (или лучше), ОС Microsoft Windows 10 (64- бит, IoT Ent LTSC), ОЗУ 8 ГБ, ПЗУ 128 ГГБ Входы выходы Передняя панель:
USB 3.0 Host (2), выход калибратора 1 кГц, 3 В меандр (2) Вход внешнего запуска (Ext Trig)
Задняя панель:
USB 3.0 Host (2), USB 3.0 Device, LAN 10/100MbaseT (RJ45), HDMI External Trigger: ВНЕШ или ВНЕШ/5 Auxiliary Output: Выход синхронизации/Дополнительный контрольный выход синхронизации генератора 10 MHz REF IN: вход сигнала внешней опорной частоты 10 МГц ± 10 ppm, 50 Ом, 400 мВпик-пик…4,5 Впик-пик 10 MHz REF OUT: выход сигнала опорной частоты, 50 ОмНапряжение питания 100…240 В (50/ 60 Гц)
200 Вт максимумУсловия эксплуатации 0...+40°С, влажность не более 90% без образования конденсата Монтаж в 19'' стойку высота 7U, опциональный комплект для монтажа MSO7000X-RM Габариты (Ш х В х Г) 452 х 309 х 216 мм Масса 10,5 кг Примечание:
1 – Полоса пропускания 2 ГГц доступна только при одном активном канале. При активации более одного аналогового канала включается ограничение полосы пропускания 1 ГГц. Время нарастания при этом будет не более 350 пс.
2 – Режим объединения каналов: активирован только один из пары каналов КАН1/КАН2 и/или КАН3/КАН4. Режим работы на канал: активированы оба канала из пары КАН1/КАН2 и/или оба канала КАН3/КАН4.
3 – Коэффициент отклонения 1 мВ/дел — это цифровая обработка Ко 2 мВ/дел. Для расчета погрешности измерения постоянного напряжения значение для Ко 1 мВ/дел должно рассчитываться как полная шкала 2 мВ/дел и размахе сигнала 16 мВ. -
Комплект поставки АКИП-4152
№ Наименование Количество 1 Осциллограф цифровой АКИП-4152 в выбранном исполнении 1 2 Сетевой шнур 1 3 Пробник пассивный 4 4 Кабель USB 1 5 Упаковочная коробка 1 6 Руководство об эксплуатации (на CD-диске) 1 -
Модификации АКИП-4152
-
Файлы для АКИП-4152


