ИТП 11, ИТП11
ИТП-11 — измеритель-индикатор технологических параметров токовой петли 4...20 мА
Код товара: 69387-
Назначение измерителя-индикатора технологических параметров токовой петли 4...20 мА ИТП-11:
Измеритель-индикатор технологических параметров ИТП-11 предназначен для измерения сигнала тока 4…20 мА и отображения его в процентах или физических величинах по выбору пользователя.
Устройство обеспечивает оперативный визуальный контроль параметров, отображая их на двухцветном индикаторе в зависимости от события: зеленый цвет – норма, красный цвет – авария. При выходе измеренного значения за критическую зону устройство автоматически оповещает миганием индикации.
Благодаря компактным размерам корпуса прибор легко монтируется в отверстие светосигнальной арматуры на двери шкафа автоматики или на пульт управления в диспетчерской.
Измеритель ИТП-11 применяется для контроля основных параметров: температуры, давления, влажности, концентрации. А также подходит для мониторинга вспомогательных параметров, таких как мощность сигнала от контроллера или положение задвижки.
Варианты исполнения измерителя-индикатора технологических параметров токовой петли 4...20 мА ИТП-11:
- ИТП-11.Н3 - компактный измеритель 4...20 мА в настенном исполнении 71×51×30;
- ИТП-11.Щ9 - компактный измеритель 4...20 мА в щитовом исполнении 48×26×72.
Преимущества измерителя-индикатора технологических параметров токовой петли 4...20 мА ИТП-11:
- измерение и питание от токовой петли 4…20 мА;
- удобный монтаж в отверстие диаметром 22 мм, на стену, на DIN-рейку, на трубу;
- сертификация во ФГИС АРШИН: устройство имеет сертификат средства измерения и выпускается с первичной поверкой;
- степень защиты IP65 со стороны лицевой панели.
Функциональные возможности измерителя-индикатора технологических параметров токовой петли 4...20 мА ИТП-11:
- отображение токового сигнала 4...20 мА от датчиков, регуляторов, программируемых реле, контроллеров и частотных преобразователей;
- вывод данных по выбору пользователя: в процентах или физических величинах;
- входной сигнал с цифровой фильтрацией для снижения помех и повышения точности отображения;
- автоматический расчет квадратного корня для линеаризации выходного сигнала, что важно при работе с расходомерами и другими нелинейными датчиками;
- подключение через microUSB для настройки в Owen Configurator;
- монтаж щитового прибора с помощью съемных винтовых клемм.
Работа индикации измерителя-индикатора технологических параметров токовой петли 4...20 мА ИТП-11:
ИТП-11 обеспечивает индикацию состояния измеряемой величины с помощью автоматической смены цвета дисплея. Цвет индикатора меняется в зависимости от значения параметра, чтобы оператор мог мгновенно определить критичность показаний. Смена цвета происходит при выходе значения измеряемой величины за пределы диапазона SP.Lo…SP.Hi. При условии активации данной функции параметром d.Col.

Рис.1. Работа индикации
Функциональная схема измерителя-индикатора технологических параметров токовой петли 4...20 мА ИТП-11:

Рис.2. Функциональная схема ИТП-11
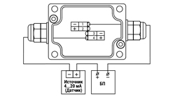
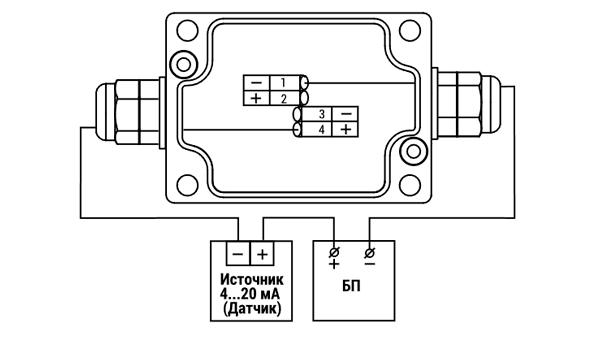
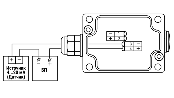
Схемы подключения измерителя-индикатора технологических параметров токовой петли 4...20 мА ИТП-11:
.jpg)
Рис.3. Подключение ИТП-11.Щ9



Подключение ИТП11.Н3 справа Подключение ИТП11.Н3 слева Сквозное подключение ИТП11.Н3
(на выбор - к клеммам 1, 4 или 2, 3)Рис.4. Подключение ИТП-11.Н3
-
Технические характеристики измерителя-индикатора технологических параметров токовой петли 4...20 мА ИТП-11:
Параметр Значение Общие сведения Питание Токовая петля датчика 4…20 мА Входной сигнал 1 × AI ток 4…20 мА Пределы основной приведенной погрешности, % ±(0,2+N),
где N – единица последнего разряда, выраженная в процентах от диапазона преобразованияИнтерфейсы 1 х microUSB Индикация Цвет Красный и зеленый Индикатор Двухцветный 4-разрядный, высота цифр 14 мм Конструктивные особенности Корпус Щ9 48×26×72 мм
IP65 со стороны лицевой панели
IP20 со стороны клеммКорпус Н3 71×51×30 мм
IP65Эксплуатация Рабочая температура -40…+80 ⁰С Средняя наработка на отказ 100 000 ч Средний срок службы 10 лет -
Комплект поставки ИТП-11
№ Наименование Количество 1 Измеритель-индикатор технологических параметров токовой петли 4...20 мА ИТП-11 в выбранном исполнении 1 2 Комплект крепежных элементов 1 3 Паспорт и гарантийный талон 1 4 Руководство по эксплуатации 1 -
Модификации ИТП-11
-
Файлы для ИТП-11
Файлы для ИТП-11
Рекомендуем посмотреть также
-
МУ110, модуль аналогового вывода (с интерфейсом RS-485)
Выбрать исполнениев наличии2 варианта исполнения








