Блоки питания с интерфейсом (Д18) — для пирометров с пультом АРТО (датчик Ц, А, Т, Д)
Код товара: 84986-
-
Производитель
-
Артикул
Д18
Назначение блоков питания с интерфейсом (Д18) для пирометров с пультом АРТО (датчик Ц, А, Т, Д):
Блоки питания с интерфейсом (Д18) являются дополнительной комплектацией для пирометров с пультом АРТО (датчик Ц, А, Т, Д).
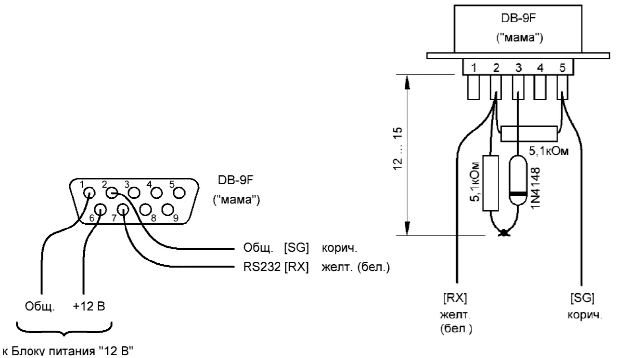
Схема подключения блоков питания с интерфейсом (Д18) для пирометров с пультом АРТО (датчик Ц, А, Т, Д):
12 В с двумя разъемами DB9 (питание и RS232) и двумя выводами (от встроенного CL420).
12 В с двумя разъемами DB9 (питание и RS232).

Продублировать выводы 2 и 7 разъема блока питания точно такими же проводами.
-
-
Комплект поставки Блоки питания с интерфейсом (Д18)
№ Наименование Количество 1 Блоки питания с интерфейсом (Д18) для пирометров с пультом АРТО (датчик Ц, А, Т, Д) 1 -
Совместимость с Блоки питания с интерфейсом (Д18)
