Аксессуары к пирометрам Кельвин
Блоки питания с интерфейсом (Д09) — для пирометров серии Кельвин Компакт Д
Код товара: 84980-
-
Производитель
-
Артикул
Д09
Назначение блоков питания с интерфейсом (Д09) для пирометров серии Кельвин Компакт Д:
Блоки питания с интерфейсом (Д09) являются дополнительной комплектацией для пирометров серии Кельвин Компакт Д.
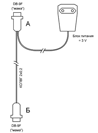
Габаритный чертеж блоков питания с интерфейсом (Д09) для пирометров серии Кельвин Компакт Д:

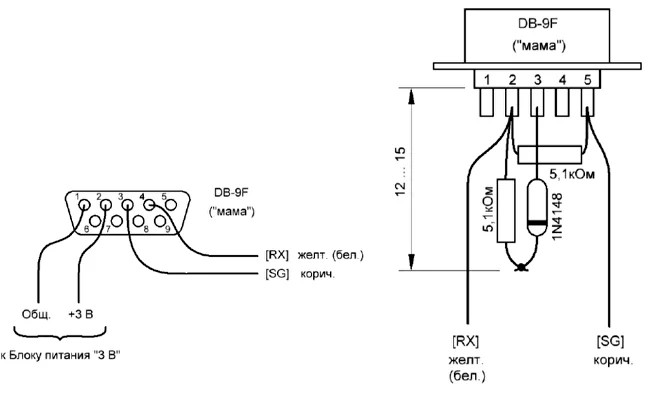
Схема подключения блоков питания с интерфейсом (Д09) для пирометров серии Кельвин Компакт Д:
3 В с двумя разъемами DB9 (питание и RS232).

-
-
Комплект поставки Блоки питания с интерфейсом (Д09)
№ Наименование Количество 1 Блоки питания с интерфейсом (Д09) для пирометров серии Кельвин Компакт Д 1 -
Совместимость с Блоки питания с интерфейсом (Д09)
